|

Одноступенчатые червячные мотор-редукторы 2МЧ-40, 2МЧ-63, 2МЧ-80: характеристики, устройство, принцип работы, стоимость. Город Владивосток, Приморский край |
|
Мотор-редукторы серии 2МЧ-40, 2МЧ-63, 2МЧ-80 изготовлены на базе редукторов серии 2Ч. Серия 2МЧ имеет съемные входные фланцы и входные втулки, что позволяет устанавливать электродвигатели в широком диапазоне мощностей. В зависимости от условий работы, мотор-редукторы комплектуются различными типами электродвигателей (электродвигатели с встроенным электротормозом, взрывозащищенные электродвигатели, низковольтные электродвигатели). Редукторы изготавливаются в различных вариантах сборки, обозначение прописывается в маркировке при заказе. Выходные валы могут быть цилиндрическими (Ц) или полыми (П ) - согласовывается дополнительно при заказе. |
|
Техническое описание
Условия применения
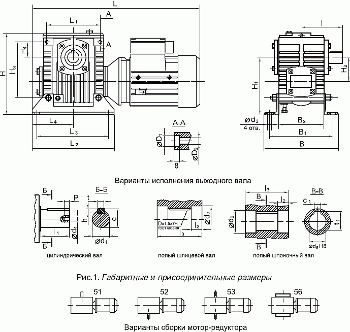
Габаритные и присоединительные размеры
Установочное положение
Технические характеристики
Паспорт
Техническое описание 2МЧ-40, 2МЧ-63, 2МЧ-80
Мотор-редукторы серии 2МЧ могут применяться в различных отраслях народного хозяйства. Широкий диапазон передаточных чисел позволит получить различные скорости и крутящий момент на выходном валу. Серия состоит из трех типоразмеров 2МЧ-40, 2МЧ-63, 2МЧ-80. Мотор-редукторы комплектуется двигателями переменного тока 1500 об/мин.
УСЛОВИЯ ПРИМЕНЕНИЯ РЕДУКТОРОВ 2МЧ-40, 2МЧ-63, 2МЧ-80
- Нагрузка постоянная или изменяемая не превышающая максимальный момент
- реверс в обе стороны, без изменений рабочих характеристик
- климатические условия соответствуют ГОСТ 15150-69 (У2, У3, Т2)
- при использование общепромышленных асинхронных электродвигателей внешняя среда должна быть неагрессивной и невзрывоопасной.
Мотор-редукторы 2МЧ-40 - внешний вид
Мотор-редукторы 2МЧ-63, 2МЧ-80 - внешний вид
Габаритные и присоединительные размеры

Типоразмер мотор-редуктора |
Lmax |
L1 |
L2 |
L3 |
L4 |
Bmax |
B1 |
B2 |
Hmax |
H1 |
H2 |
H3 |
P |
I |
2МЧ-40 |
370 |
105 |
180 |
150 |
90 |
164 |
140 |
100 |
180 |
112 |
40 |
105 |
15 |
90 |
2МЧ-63 |
470 |
150 |
220 |
180 |
110 |
197 |
165 |
125 |
225 |
145 |
63 |
150 |
20 |
120 |
2МЧ-80 |
540 |
180 |
260 |
225 |
130 |
212 |
185 |
140 |
296 |
172 |
80 |
180 |
20 |
145 |
Типоразмер мотор-редуктора |
l1 |
l2 |
l3 |
l4 |
d1 |
d2 |
d3 |
t |
t1 |
c |
c1 |
D1 |
D2 |
2МЧ-40 |
28 |
20 |
112 |
28 |
18 |
23 |
25 |
20,5 |
20,8 |
6 |
6 |
16 |
10,5 |
2МЧ-63 |
42 |
20 |
108 |
20 |
28 |
33 |
35 |
31 |
29,3 |
8 |
8 |
18 |
12,5 |
2МЧ-80 |
58 |
25 |
116 |
24 |
35 |
41 |
44 |
37,5 |
38,3 |
10 |
10 |
18 |
12,5 |
Установочное положение

Технические характеристики 2МЧ-40, 2МЧ-63, 2МЧ-80
Номинальная скорость вращения выходного вала об/мин |
Радиальная консольная нагрузка, приложенная к центру выходного вала, Н |
Номинальный крутящий момент Нм , при ПВ , % |
КПД с ПВ, 100% |
Габарит двигателя серии АИР |
Мощность электродвигателя,
кВт |
Уровень шума, дБА, не более |
Масса
кг |
40 |
100 |
| |
|
|
|
|
|
Мотор-редуктор 2МЧ-40 |
224 |
1500 |
20 |
68 |
63В2 |
0,55 |
80 |
12,4 |
180 |
24 |
67 |
63В2 |
0,55 |
140 |
22 |
58 |
63В4 |
0,37 |
112 |
28 |
26 |
57 |
63В4 |
0,37 |
90 |
32 |
30 |
55 |
63В4 |
0,37 |
71 |
35 |
30 |
52 |
63В4 |
0,37 |
56 |
30 |
28 |
50 |
63А4 |
0,25 |
45 |
40 |
36 |
48 |
63А4 |
0,25 |
35,5 |
36 |
31 |
43 |
63А4 |
0,25 |
31 |
41 |
56В4 |
0,18 |
10,5 |
28 |
32 |
38 |
56В4 |
0,18 |
22,4 |
28 |
26 |
37 |
56А4 |
0,12 |
Мотор-редуктор 2МЧ-63
|
180 |
2400 |
100 |
80 |
66 |
80В2 |
2,2 |
83 |
26 |
140 |
100 |
71 |
64 |
80В2 |
2,2 |
80 |
62 |
80А2 |
1,5 |
80 |
25 |
112 |
100 |
60 |
80В2 |
2,2 |
83 |
26 |
90 |
59 |
80А2 |
1,5 |
80 |
25 |
90 |
125 |
100 |
66 |
80В4 |
1,5 |
26 |
71 |
125 |
90 |
64 |
80В4 |
1,5 |
112 |
62 |
80А4 |
1,1 |
25 |
56 |
125 |
59 |
80А4 |
1,1 |
100 |
53 |
71В4 |
0,75 |
22 |
45 |
125 |
54 |
80А4 |
1,1 |
25 |
112 |
49 |
71В4 |
0,75 |
22 |
35,5 |
125 |
46 |
71В4 |
0,75 |
100 |
44 |
71А4 |
0,55 |
21 |
28 |
125 |
43 |
71В4 |
0,75 |
22 |
112 |
41 |
71А4 |
0,55 |
21 |
22,4 |
125 |
37 |
71А4 |
0,55 |
18 |
140 |
100 |
40 |
71В6 |
0,55 |
22 |
100 |
38 |
71А6 |
0,37 |
21 |
14 |
125 |
90 |
36 |
71В6 |
0,55 |
22 |
100 |
34 |
71А6 |
0,37 |
21 |
11,4 |
112 |
80 |
30 |
71А6 |
0,37 |
Мотор-редуктор 2МЧ-80 |
224 |
400 |
180 |
125 |
75 |
100L2 |
5,5 |
87 |
49 |
125 |
74 |
100S2 |
4 |
83 |
43 |
180 |
180 |
71 |
90L2 |
3 |
38,5 |
125 |
69 |
140 |
180 |
66 |
112 |
180 |
64 |
125 |
63 |
80B2 |
2,2 |
33 |
90 |
250 |
180 |
67 |
100S4 |
3 |
43 |
180 |
66 |
90L4 |
2,2 |
38,5 |
71 |
250 |
64 |
100S4 |
3 |
43 |
180 |
63 |
90L4 |
2,2 |
38,5 |
56 |
250 |
61 |
90L4 |
2,2 |
38,5 |
180 |
59 |
80B4 |
1,5 |
80 |
33 |
45 |
250 |
200 |
57 |
90L4 |
2,2 |
83 |
38,5 |
200 |
55 |
80B4 |
1,5 |
80 |
33 |
35,5 |
250 |
180 |
50 |
80B4 |
1,5 |
33 |
180 |
48 |
80A4 |
1,1 |
31,5 |
28 |
250 |
48 |
80B4 |
1,5 |
33 |
180 |
46 |
80A4 |
1,1 |
31,5 |
22,4 |
224 |
160 |
41 |
80A4 |
1,1 |
33 |
160 |
40 |
71B4 |
0,75 |
28,5 |
18 |
224 |
38 |
80A4 |
1,1 |
31,5 |
160 |
37 |
71B4 |
|
28,5 |
14 |
260 |
180 |
38 |
80A6 |
31,5 |
11,4 |
260 |
36 |
80A6 |
31,5 |
180 |
35 |
71B6 |
0,55 |
28,5 |
Двухступенчатые цилиндрические редукторы 1Ц2У-100, 1Ц2У-125, 1Ц2У-160, 1Ц2У-200, 1Ц2У-250
Одноступенчатые цилиндрические редукторы серии ЦУ-100, ЦУ-160, ЦУ-200, ЦУ-250
Двухступенчатые цилиндрические редукторы серии 1Ц2У-315Н, 1Ц2У-355Н, 1Ц2У-400Н, 1Ц2Н-450, 1Ц2Н-500
Трехступенчатые цилиндрические редукторы ЦЗУ-160, ЦЗУ-200, ЦЗУ-250
Одноступенчатые червячные редукторы серии 1Ч-63А
Одноступенчатые червячные редукторы Ч-100, Ч-125, Ч-160
Одноступенчатые червячные редукторы 1Ч-160
Двухступенчатые редукторы Ч2-160
Редукторы червячные одноступенчатые 4Ч-80
Одноступенчатые червячные редукторы Ч-80
Одноступенчатые червячные редукторы 2Ч-40, 2Ч-63, 2Ч-80
Цилиндрические соосные мотор-редукторы MTC A
Цилиндрические соосные мотор-редукторы R (RF)
Двухступенчатые мотор-редукторы 4МЦ2С, 4МЦ2С-63, 4МЦ2С-80, 4МЦ2С-100, 4МЦ2С-125
Цилиндрические мотор-редукторы 1МЦ2С, 1МЦ2С-63, 1МЦ2С-80, 1МЦ2С-100, 1МЦ2С-125
Цилиндрические плоские мотор-редукторы серии F
Мотор-редукторы планетарные тип: 3МП-31,5; 3МП-40; 3МП-50; 3МП-63; 3МП-80; 3МП-100; 3МП-125
Мотор-редукторы планетарные двухступенчатые МПО2М-10, МПО2М-15
Мотор-редукторы планетарные одноступенчатые типа МПО1М-10
Мотор-редукторы планетарные МРВ-02 и МРВ-04
Волновые мотор-редукторы ЗМВз
Цилиндро-конические мотор-редукторы K
|
| |
|
| ©
2014 Редукторы, мотор-редукторы, устройства плавного пуска, преобразователи частоты |
|
|