|

Двухступенчатые червячные мотор-редукторы DRV: характеристики, устройство, принцип работы, стоимость. Город Владивосток, Приморский край |
|
Двухступенчатые червячные мотор-редукторы DRV собираются на базе редукторов NMRV. Даная серия широко применяется в приводах, где требуется низкая скорость и высокий крутящий момент. Модульная сборка позволяет получить различные варианты компоновки, а широкий диапазон передаточных чисел позволит получить любые обороты. Редукторы комплектуются дополнительными опциями (валы, фланцы, штанги). По желанию заказчика возможна установка двигателя с электротормозом.
Серия DRV имеет идентичные размеры и характеристики со многими марками червячных редукторов, таблицы совместимости вы можете найти на сайте или позвонить нашим консультантам. |
|
Выходные обороты и мощность электродвигателей (кВт)
Конструктивные особенности
Замечания по условиям применения
Внешний вид мотор-редукторов DRV
Габаритные и присоединительные размеры DRV
Фланец выходного вала
Размеры выходного вала
Рычаг крутящего момента
Монтажные позиции
Конструктивные особенности
- Типоразмер 030, 040, 050, 063, 075, 090 - изготавливается из алюминиевого сплава, литого под давлением;
- Типоразмер 110, 130,150 - изготавливается из серого чугуна с механической обработкой;
- Нагрузочная способность в соответствии с: ISO 14521, ISO 6336, DIN 3990, DIN 743, ISO 281, DIN 3996, BS 721, AGMA 6034;
- Окраска редуктора синяя - RAL 5010.
Замечания по условиям применения
- Не допускается использование редуктора в качестве мультипликатор (повышающего угловую скорость выходного вал);
- Не допускается использование редуктора при высоких моментах инерции выходной нагрузки;
- Не рекомендуется использовать редуктор в качестве привода подъемных механизмов;
- Высокая динамическая нагрузка может снизить срок службы редуктора;
- При использовании редуктора при температуре ниже -30°C или выше 40°C следует использовать масло соответствующее нужной температуре;
- Запрещено использовать редуктор в агрессивных химических средах;
- Максимальный крутящий момент не должен превышать номинальное значение указанное в технических характеристиках более чем в два раза;
- Срок службы редуктора зависит от сервис фактора (SF), и составляет 8700 часов при условии (f.s.≥1).
Внешний вид мотор-редукторов DRV
Габаритные и присоединительные размеры DRV

|
A |
B |
G1 |
H |
I |
R |
H2 |
I2 |
N2 |
R2 |
Z |
~Kg |
025-030 |
70 |
45 |
63 |
40 |
30 |
57 |
35 |
25 |
22,5 |
48 |
100 |
1,9 |
025-040 |
70 |
45 |
78 |
50 |
40 |
71,5 |
35 |
25 |
22,5 |
48 |
115 |
3 |
030-040 |
80 |
55 |
78 |
50 |
40 |
71,5 |
40 |
30 |
29 |
57 |
122 |
3,5 |
030-050 |
80 |
55 |
92 |
60 |
50 |
84 |
40 |
30 |
29 |
57 |
132 |
4,7 |
030-063 |
80 |
55 |
112 |
72 |
63 |
107 |
40 |
30 |
29 |
57 |
150 |
7,4 |
040-050 |
100 |
70 |
92 |
60 |
50 |
84 |
50 |
40 |
36,5 |
71,5 |
140,5 |
5,8 |
040-063 |
100 |
70 |
112 |
72 |
63 |
107 |
50 |
40 |
36,5 |
71,5 |
161 |
8,5 |
040-075 |
100 |
70 |
120 |
89 |
75 |
123 |
50 |
40 |
36,5 |
71,5 |
178,5 |
11,3 |
040-090 |
100 |
70 |
140 |
103 |
90 |
144 |
50 |
40 |
36,5 |
71,5 |
197 |
15,3 |
050-090 |
120 |
80 |
140 |
103 |
90 |
144 |
60 |
50 |
43,5 |
84 |
214 |
16,5 |
050-110 |
120 |
80 |
155 |
127,5 |
110 |
167,5 |
60 |
50 |
43,5 |
84 |
237 |
24,5 |
063-110 |
144 |
109 |
155 |
127,5 |
110 |
167,5 |
72 |
63 |
53 |
107 |
237 |
27,2 |
063-130 |
144 |
109 |
170 |
147,5 |
130 |
187,5 |
72 |
63 |
53 |
107 |
245 |
54,2 |
063-150 |
144 |
109 |
200 |
170 |
150 |
230 |
72 |
63 |
53 |
107 |
275 |
90,2 |
Фланец выходного вала

|
030 |
040 |
050 |
063 |
075 |
090 |
110 |
130 |
150 |
FA |
KA |
54,5 |
67 |
90 |
82 |
111 |
111 |
131 |
140 |
155 |
KB |
6 |
7 |
9 |
10 |
13 |
13 |
15 |
15 |
15 |
KC |
4 |
4 |
5 |
6 |
6 |
6 |
6 |
6 |
6 |
KN |
50 |
60 |
70 |
115 |
130 |
152 |
170 |
180 |
180 |
KM |
68 |
80 min |
90 min |
150 |
165 |
175 |
230 |
255 |
255 |
KO |
6.5 (n°4) |
9 (n°4) |
11 (n°4) |
11 (n°4) |
11 (n°4) |
11 (n°4) |
14 (n°8) |
16 (n°8) |
16 (n°8) |
KP |
80 |
110 |
125 |
180 |
200 |
210 |
280 |
320 |
320 |
KQ |
70 |
95 |
110 |
142 |
170 |
200 |
260 |
290 |
290 |
KW |
45° |
45° |
45° |
45° |
45° |
45° |
45° |
22.5° |
22.5° |
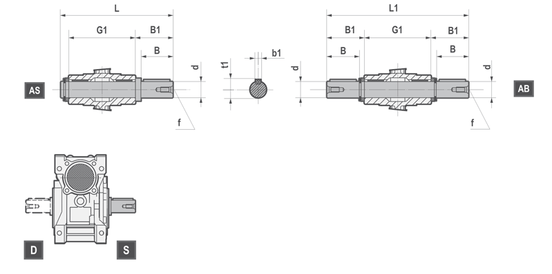
Размеры выходного вала

|
030 |
040 |
050 |
063 |
075 |
090 |
110 |
130 |
150 |
d |
14 h6 |
18 h6 |
25 h6 |
25 h6 |
28 h6 |
35 h6 |
42 h6 |
45 h6 |
50 h6 |
B |
30 |
40 |
50 |
50 |
60 |
80 |
80 |
80 |
82 |
B1 |
32,5 |
43 |
53,5 |
53,5 |
63,5 |
84,5 |
84,5 |
85 |
87 |
G1 |
63 |
78 |
92 |
112 |
120 |
140 |
155 |
170 |
200 |
L |
102 |
128 |
153 |
173 |
192 |
234 |
249 |
265 |
297 |
L1 |
128 |
164 |
199 |
219 |
247 |
309 |
324 |
340 |
374 |
f |
M6 |
M6 |
M10 |
M10 |
M10 |
M12 |
M16 |
M16 |
M16 |
b1 |
5 |
6 |
8 |
8 |
8 |
10 |
12 |
14 |
14 |
t1 |
16 |
20,5 |
28 |
28 |
31 |
38 |
45 |
48,5 |
53,5 |
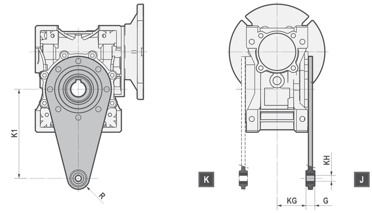
Рычаг крутящего момента

|
030 |
040 |
050 |
063 |
075 |
090 |
110 |
130 |
150 |
K1 |
85 |
100 |
100 |
150 |
200 |
200 |
250 |
250 |
250 |
G |
14 |
14 |
14 |
14 |
25 |
25 |
30 |
30 |
30 |
KG |
24 |
31,5 |
38,5 |
49 |
47,5 |
57,5 |
62 |
69 |
84 |
KH |
8 |
10 |
10 |
10 |
20 |
20 |
25 |
25 |
25 |
R |
15 |
18 |
18 |
18 |
30 |
30 |
35 |
35 |
35 |
Монтажные позиции


1 - Первая ступень; 2 - Вторая ступень
Выходные обороты и мощность электродвигателей (кВт)
|
| |
|
| ©
2014 Редукторы, мотор-редукторы, устройства плавного пуска, преобразователи частоты |
|
|