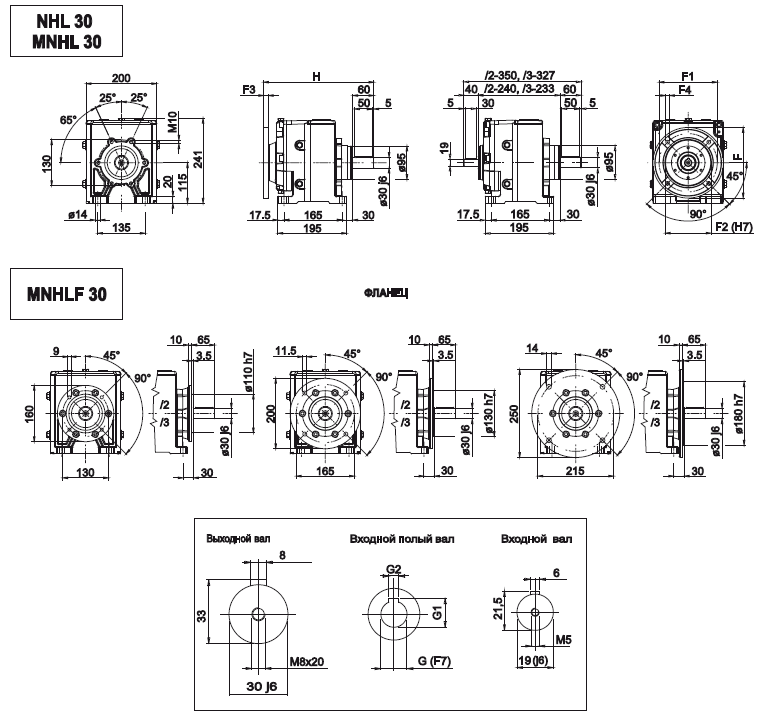
Габаритно-присоединительные размеры MNHL 30

 

Назад

Габаритно-присоединительные размеры MNHL 30

30/2 -30/3
G
G1
G2
F
F1
F2
F3
F4
Н
12... 71 B5/2F .. 71 В5
14
16,3
5
160
130
110
10
9
317
/2... 80B5/2F .. 80 В5
19
21,8
6
200
165
130
11
11
311
/2... 90B5/2F .. 90 В5
24
27,3
8
200
165
130
11
11
311
/2...100-112 В5 /2F...100-112 В5
28
31,3
8
250
215
180
13
13
311
/3... 56B5/3F .. 56 В5
9
10,4
3
120
100
80
8
7
318
/3... 63B5/3F .. 63 В5
11
12,8
4
140
115
95
12
9
317
/3... 71 B5/3F .. 71 В5
14
16,3
5
160
130
110
10,5
9
316
/3... 80B5/3F .. 80 В5
19
21,8
6
200
165
130
10,5
11
300

Назад

 
© 2014 Редукторы, мотор-редукторы, устройства плавного пуска, преобразователи частоты