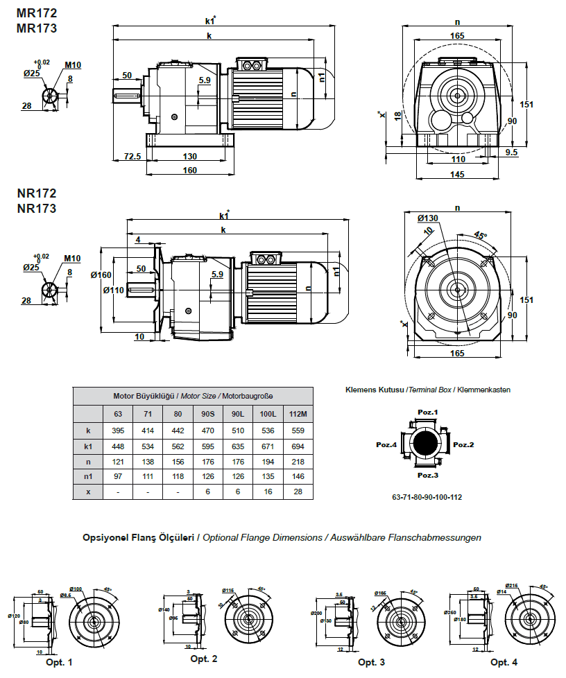
Габаритные и присоединительные размеры MR172, MR173 (MRF172, MRF173)
Назад
Назад
© 2014 Редукторы, мотор-редукторы, устройства плавного пуска, преобразователи частоты