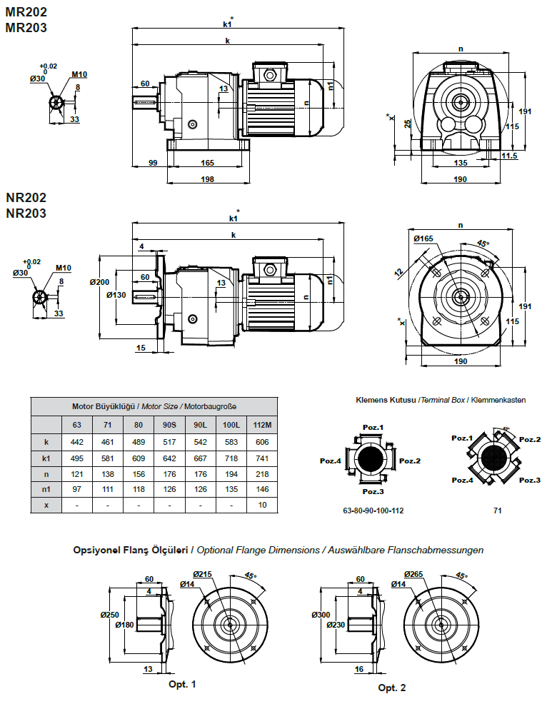
Габаритные и присоединительные размеры MR202, MR203 (MRF202, MRF203)
Назад
Назад
© 2014 Редукторы, мотор-редукторы, устройства плавного пуска, преобразователи частоты