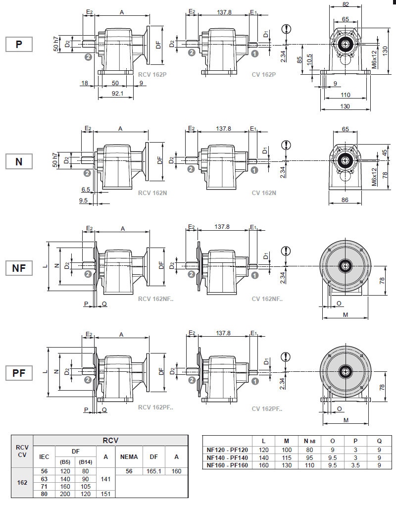
Габаритные и присоединительные размеры RCV 162
Назад
Назад
© 2014 Редукторы, мотор-редукторы, устройства плавного пуска, преобразователи частоты