Червячный одноступенчатый мотор-редуктор NMRV 063

Мотор-редукторы NMRV

Редуктор NMRV 063 имеет облегченный алюминиевый корпус. Применяется в изделиях, где требуется понизить скорость двигателя и увеличить момент. Редуктор имеет полый вал со шпоночным пазом. Диаметр выходного вала – 25 мм. Комплектуется редуктор NMRV 063 двигателями мощностью 0,18 – 2,2 кВт.

Вернуться в общее описание

 

Редукторы NMRV имеют следующие типоразмеры:

nmrv 030, nmrv 040, nmrv 050, nmrv 063, nmrv 075, nmrv 090, nmrv 110, nmrv 130, nmrv 150

  • Типоразмер - 063 - изготавливается из алюминиевого сплава, литого под давлением;
  • Нагрузочная способность в соответствии с: ISO 14521, ISO 6336, DIN 3990, DIN 743, ISO 281, DIN 3996, BS 721, AGMA 6034;
  • Передаточное отношение - 7,5 - 100;
  • Мощность электродвигателя - 0,18- 2,2 квт;
  • Момент на выходном валу - 35 - 180 Нм;
  • Окраска редуктора синяя - RAL 5010.

 

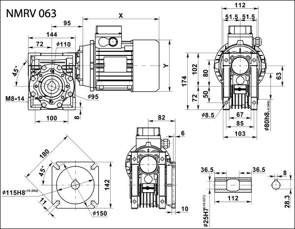
Габаритные и присоединительные размеры NMRV 063

Габаритные и присоединительные размеры NMRV 063

 

Выходные обороты и мощность электродвигателя

Мощность электродвигателя в кВт
Скорость вращения выходного вала в об/мин
Момент на выходном валу в Нм
Сервис-фактор s/f
Передаточное отношение - i
Габарит и количество полюсов электродвигателя
Максимальная радиальная нагрузка на выходной вал
0,18
15.0
66
2.1
60
71A6
5467
11.3
79
1.6
80
6018
9.0
90
1.4
100
6270
0,25
28.0
56
2.4
50
71А4
4440
23.3
63
2.0
60
4719
17.5
78
1.6
80
5193
14.0
87
1.4
100
5595
18.0
81
1.8
50
71В6
5145
15.0
92
1.5
60
5467
11.3
110
1.2
80
6018
9.0
125
1.0
100
6270
0,37
35.0
71
2.1
40
71B4
4122
28.0
83
1.6
50
4440
23.3
94
1.4
60
4719
17.5
115
1.1
80
5193
14.0
129
0.9
100
5595
45.0
60
2.4
20
80A6
3791
36.0
74
1.9
25
4084
30.0
82
2.1
30
4339
22.5
102
1.6
40
4776
18.0
120
1.2
50
5145
15.0
137
1.0
60
5467
0,55
70.0
56
1.9
40
71B2
3272
56.0
67
1.5
50
3524
46.7
77
1.2
60
3745
35.0
95
0.9
80
4122
28.0
109
0.7
100
4440
70.0
61
2.2
20
80A4
3272
56.0
73
1.8
25
3524
46.7
83
1.9
30
3745
35.0
105
1.4
40
4122
28.0
124
1.1
50
4440
23.3
140
0.9
60
4719
60.0
71
2.2
15
80B6
3444
45.0
90
1.6
20
3791
36.0
109
1.3
25
4084
30.0
123
1.4
30
4339
22.5
152
1.1
40
4776
0,75
140.0
43
2.3
20
80А2
2597
112.0
52
1.8
25
2797
93.3
60
2.0
30
2973
70.0
77
1.4
40
3272
56.0
91
1.1
50
3524
46.7
104
0.9
60
3745
93.3
64
2.2
15
80В4
2973
70.0
83
1.6
20
3272
56.0
100
1.3
25
3524
46.7
114
1.4
30
3745
35.0
143
1.0
40
4122
120.0
52
2.9
7.5
90S6
2734
90.0
68
2.3
10
3009
60.0
97
1.6
15
3444
45.0
123
1.2
20
3791
36.0
149
0.9
25
4084
30.0
167
1.0
30
4339
1,1
186.7
48
2.1
15
80B2
2359
140.0
63
1.6
20
2597
112.0
77
1.2
25
2797
93.3
88
1.4
30
2973
70.0
113
1.0
40
3272
120.0
76
2.0
7.5
90L6
2734
90.0
99
1.5
10
3009
60.0
142
1.1
15
3444
45.0
180
0.8
20
3791
186.7
50
2.6
7.5
90S4
2359
140.0
65
2.0
10
2597
93.3
93
1.5
15
2973
70.0
122
1.1
20
3272
56.0
146
0.9
25
3524
46.7
167
1.0
30
3745
1,5
186.7
68
1.9
7.5
90L4
2359
140.0
89
1.5
10
2597
93.3
127
1.1
15
2973
70.0
166
0.8
20
3272
373.3
35
2.7
7.5
90S2
1873
280.0
46
2.1
10
2061
186.7
66
1.6
15
2359
140.0
86
1.2
20
2597
112.0
105
0.9
25
2797
93.3
120
1.0
30
2973
186.7
83
1.5
7.5
90L4
2359
140.0
109
1.2
10
2597
93.3
156
0.9
15
2973
2,2
373.3
51
1.8
7.5
90L2
1873
280.0
67
1.5
10
2061
186.7
97
1.1
15
2359

 

Пример заказа редуктора:

NMRV - 063 - 10 - 140 - 1,5 - B3

NMRV - модель червячного редуктора
063 - габарит межцентровое расстояние в мм
10 - передаточное число
140 - скорость вращения выходного вала, об/мин
1,5 - мощность электродвигателя, кВт
B3 - расположение в пространстве

 

 
© 2014 Редукторы, мотор-редукторы, устройства плавного пуска, преобразователи частоты